Внедрение интеллектуальных устройств в квартиру или дом можно начать с умного выключателя. Он станет частью смарт-освещения, которым вы сможете управлять с помощью мобильного телефона или голосового помощника. Расскажем, как работают и как правильно подключить умные выключатели, а также приведем инструкцию по их настройке.
Источник: shutterstock.com
Принцип работы
С помощью умных выключателей можно дистанционно управлять освещением в помещении, регулировать его яркость и экономить электроэнергию. При наличии датчика движения устройство автоматически включит свет, когда вы входите в комнату, и выключит при выходе. А если вы живете в частном доме, с наступлением сумерек выключатель активирует подсветку крыльца и прилегающей территории.
Конструктивно умный выключатель света — это компактный модуль с приемником сигнала, контроллером и исполнительной частью — реле. Приемник получает сигнал и передает его на контроллер, который включает или отключает реле, отвечающее за подачу напряжения или обесточивание сети.
Умный выключатель может работать по разным протоколам беспроводной связи. Чаще всего он сопрягается с телефоном по Wi-Fi и Bluetooth, но встречаются и другие стандарты. Перечислим основные:
- Wi-Fi. Самый популярный стандарт для беспроводного подключения устройств, поскольку Wi-Fi роутер сейчас есть практически в каждом доме. Он обеспечивает высокую скорость работы, но нужно обязательно учитывать частоту сети. Большинство умных выключателей работают в диапазоне 2,4 ГГц. Если у вас частота 5 ГГц, подключить устройство не получится.
- Bluetooth. Протокол работает по такому же принципу, как и Wi-Fi — через соответствующий шлюз. Но подойдет он только для устройств, которые размещены рядом: радиус действия не превышает 10 метров.
- Zigbee. Специальный протокол связи для устройств умного дома. Обеспечивает стабильную и надежную связь, но для подключения нужен хаб, с которым выключатель будет синхронизироваться в приложении.
- Z-wave. Давно существующий протокол, который поддерживает частоту 800–900 МГц. Как и Zigbee, обеспечивает стабильный сигнал при низких энергозатратах. Для подключения также понадобится соответствующий хаб.
Это 4 самых популярных, но есть и другие стандарты для умных устройств: например, Thread или Matter. При покупке обязательно проверяйте, поддерживает ли выбранная вами модель протоколы связи, которые подходят для вашей сети. При несовместимости подключить устройство не удастся.
Как установить умный выключатель
Умные выключатели делят на беспроводные (накладные) и проводные (встраиваемые). Первые можно установить в любом месте: для подключения не нужно штробить стены, монтировать подрозетники и тянуть электропроводку. Источник питания у них — мизинчиковые или пальчиковые батарейки. Проводной выключатель стандартно монтируют в подрозетник.
Проводной
Для установки умного выключателя нужны знания в области электротехники и требованиях безопасности, поэтому лучше всего доверить монтаж электрику. Отметим, что производители прикладывают к смарт-выключателям инструкцию, в которой подробно описан процесс подключения и управления. Внимательно прочитайте и сохраните ее, электрики при установке тоже будут на нее ориентироваться.
Источник: petrovich.ru
Установку проводного выключателя для умного дома выполняют в такой последовательности:
- Обесточивают электрическую сеть, выключают защитный автомат.
- Демонтируют старый обычный выключатель.
- Устанавливают на его место умное устройство.
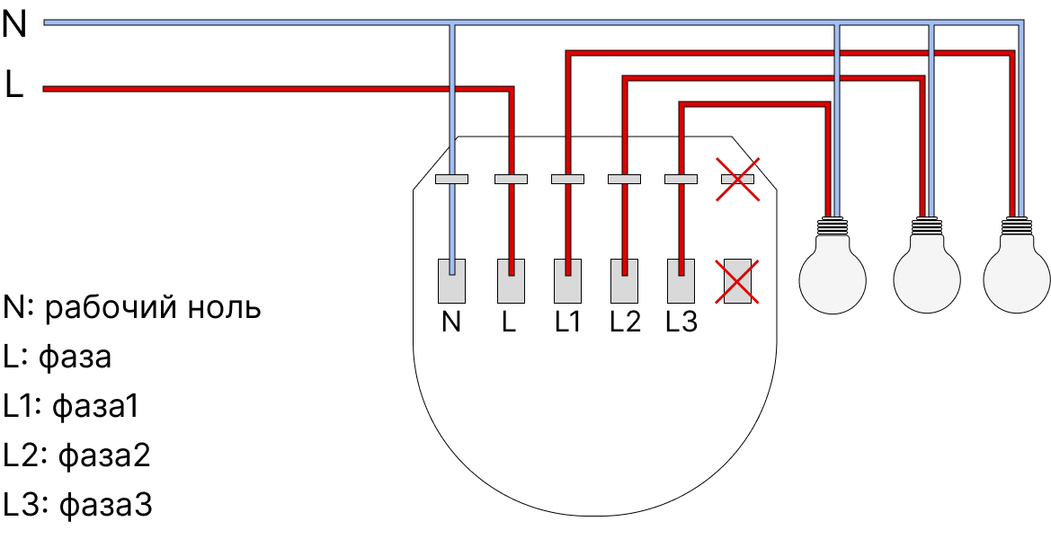
Значимое отличие смарт-выключателя от обычного в том, что для его установки и подключения в большинстве случаев нужен не только фазный провод, но и нулевой. Есть устройства, которые могут работать и без ноля, но, как правило, они быстрее выходят из строя и работают с погрешностями. Поэтому, если вы запланировали сделать свой дом умным, во время ремонта подведите к выключателям ноль.
Если у вас в подрозетнике есть нулевой провод (обычно синий), подключите его к соответствующему контакту на выключателе (N), а фазу от распределительной коробки подведите к гнезду с отметкой L. Фазные провода, которые идут к светильникам (потребителям), подключайте к рабочим контактам L1, L2 и т. д.
Если в подрозетнике нет нулевой линии, нужно дополнительно установить конденсатор. Он должен входить в комплект к умному прибору. Конденсатор вы можете установить в распределительную коробку или светильник, которым будет управлять выключатель. Его подключают к нулевой линии и проводу, который соединяется с выходом выключателя L1.
Беспроводной
Беспроводной выключатель можно даже не монтировать на стену, а положить в удобное место, например на прикроватную тумбочку. Или просто приклеить на двусторонний скотч.
Беспроводной выключатель можно зафиксировать на скотч. Источник: YouTube | TMITMHome
В комплект выключателя входит реле, которое управляет подачей напряжения на светильник. Это устройство нужно подключить к стандартной проводке освещения.
Реле устанавливают в цоколь люстры или другого осветительного прибора, распаечную коробку, подрозетник или место за натяжным потолком. После этого:
- Обесточивают домашнюю сеть.
- Фазный провод от распределительной коробки подключают к соответствующему контакту L, а нулевой провод — к контакту N на реле.
- Фазный и нулевой провод от реле подключают к потребителю (светильнику).
- Проверяют работоспособность устройства.
Если выключатель работает без сбоев, можно зафиксировать его в удобном месте. Как правило, устойчивая связь с реле по радиоканалу сохраняется на расстоянии 4–5 метров.
Как сделать свой дом умным: первые шаги
Узнайте большеКак настроить умный выключатель
Чтобы управлять смарт-выключателями, используют различные приложения и голосовые помощники, например Алису от Яндекса. С ней совместимы большинство устройств умного дома, предлагаемых на российском рынке.
Тем не менее смарт-прибор нужно сначала зарегистрировать в приложении производителя, а уже после этого настраивать голосового помощника. Действуйте по инструкции к модели — несмотря на то, что алгоритм у отдельных устройств практически идентичный, некоторые расхождения все же могут быть.
Умное освещение в вашем доме
Узнайте большеДля начала найдите и установите на телефон приложение производителя. Создайте в нем учетную запись и пройдите авторизацию. Установите выключатель в режим сопряжения (как это сделать — смотрите в инструкции производителя). Обычно для этого нажимают и удерживают кнопку на нем до тех пор, пока индикатор не начнет быстро мигать.
Запустите в приложении опцию добавления и поиска нового устройства. Дождитесь, когда оно будет найдено, и выберите его из списка. Введите данные сети (логин и пароль) для подключения к ней умного выключателя.
После этого запустится процесс синхронизации, умный выключатель появится в списке доступных устройств. Задайте ему название и нажмите «Завершено».
Как подключить умный выключатель к системе умного дома
После регистрации в приложении производителя выключателем можно управлять с вашего телефона. Дополнительно вы можете синхронизировать смарт-устройство с приложением, которое контролирует систему умного дома. Например, если вы хотите управлять выключателем с помощью голоса.
Разберем на примере приложения от Яндекса «Дом с Алисой». Зайдите в него и нажмите «+» в правом верхнем углу экрана. Укажите, что добавляете — устройство умного дома.
Выберите из списка производителя вашего выключателя и привяжите к аккаунту Яндекса. Нажмите «Обновить список устройств».
«Дом с Алисой» синхронизируется с приложением производителя и покажет все устройства, доступные системе, в том числе выключатель. Выберите тип устройства — освещение. На последнем этапе Алиса спросит, в какой комнате будет расположен ваш выключатель. Укажите свой вариант и нажмите «Далее». Теперь вы сможете управлять прибором как со смартфона, так и голосом.
Управление умными выключателями
После подключения выключателя и его сопряжения с приложением в смартфоне можно задать сценарии управления. Также объясним на примере Алисы от Яндекса. У других производителей алгоритм похожий, но будет немного отличаться интерфейс.
Зайдите в приложение Яндекса на телефоне, выберите выключатель и перейдите во вкладку «Сценарии». Задайте название — в нашем случае установим расписание для подсветки растений.
Настройте условия и триггеры сценария, которые предложит приложение. Например, установите расписание — для этого перейдите в меню «Время». Укажите время, выберите дни недели, в которые будет запускаться событие. Нажмите «Добавить».
Добавьте источник освещения, который подключен к выключателю, и действие — включить или выключить свет. Нажмите «Создать сценарий». Теперь освещение растений будет работать по заданному расписанию.
Вы можете использовать и другие сценарии и триггеры. Яндекс приводит различные примеры в разделе «Популярные сценарии».
Триггерами, запускающими выполнение сценария, могут быть голосовые команды или определенные условия. Как в примере выше, вы можете задать конкретное время, в которое нужно зажечь свет. А можно дать задание на включение во время заката. В последнем случае данные о восходе и заходе солнца приложение определит самостоятельно с учетом местоположения пользователя.
Также в качестве триггеров используют датчики движения и присутствия. Свет автоматически включится при обнаружении движения и выключится, если его определенное время не будет. С помощью датчиков открытия можно назначить команду освещать помещение, когда в него кто-то входит, распахивая дверь.
Кроме того, можно использовать различные режимы безопасности. Например, «Нет дома», когда свет с некоторой периодичностью включается и выключается, имитируя ваше присутствие в квартире.
Как подключить датчик движения в частном доме
Узнайте большеВозможные ошибки при подключении
Если умный выключатель не функционирует или работает некорректно, это может быть вызвано следующими причинами:
- Неверное подключение проводов. Иногда пользователи не подсоединяют ноль, ошибочно считая, что смарт-выключатель подключается как обычный. В результате устройство не работает или возникают сбои: свет моргает, самопроизвольно включается и выключается.
- Отсутствие сопряжения прибора с вашей сетью. Причиной может быть, например, несовпадение частоты Wi-Fi, на которой работает выключатель, с частотой роутера. Возможно, ваша домашняя сеть работает в диапазоне 5 ГГц, а умное устройство — на 2,4 ГГц. При выборе обязательно смотрите показатель в инструкции или на упаковке прибора.
- Приложение не может найти умный выключатель. Причиной могут быть ошибки в настройках приложения, использование необновленной версии или неправильные действия по переводу устройства в режим сопряжения. Еще один вариант — разряженная батарея беспроводного выключателя.
Чтобы прибор исправно работал, придерживайтесь инструкций и рекомендаций производителя. А если сомневаетесь в своих силах, пригласите электрика.
Резюме
Установка умного выключателя расширяет возможности управления освещением и помогает экономить электроэнергию. Это очень удобно — не нужно тянуться к выключателю при входе в квартиру или вставать с кровати перед сном, чтобы погасить свет. Вы можете задать индивидуальный режим работы освещения и даже управлять им вдали от дома.
Подключайте смарт-устройство по инструкции производителя. Беспроводные выключатели проще и удобнее в установке, чем проводные, а вот настройка аналогичная у обоих видов. Для этого на смартфон ставят приложение производителя и задают сценарий управления.













